當前位置:網站首頁
> 產品展示
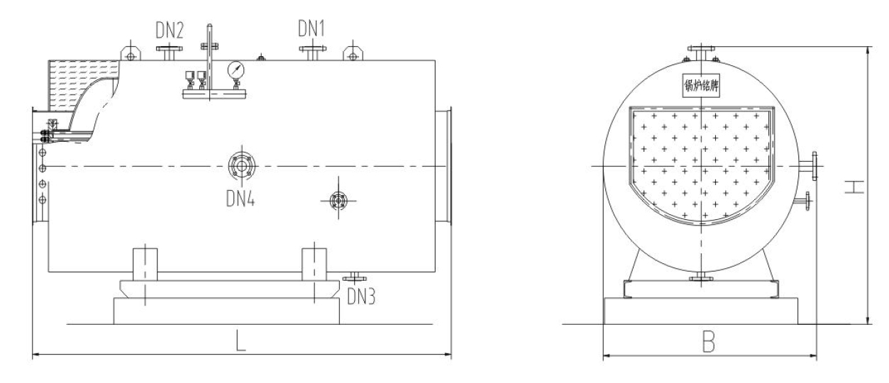
LDR/WDR系列電蒸汽鍋爐
1、全自動智能化控制技術,無需專人值守。
2、可按照需要設定鍋爐自動運行時間段,一天可設多個不同的工作時段,使鍋爐自動分時啟動各加熱組,加熱組循環投切,使各接觸器使用時間、頻率相同,提高設備使用壽命。
3、控制器對壓力自動控制、演算、追蹤,可在負荷變化時對給水泵、電加熱管進行自動啟停控制,也可手動控制。
4、具備齊全的多項保護功能,漏電保護、缺水保護、接地保護、超壓保護、過流保護、電源保護等,鍋爐自動保護,安全到家。
5、鍋爐爐體、機電一體化,便于安裝和配接:大型鍋爐爐體與電控分體設計,杜絕電氣控制部分受爐體的高溫影響,保證電控器件的穩定運行。
6、結構緊湊、科學合理的設計與先進的制造工藝相結合,鍋爐占用空間小,方便運輸并且節省使用場地。
7、鍋爐本體采用優質高效保溫材料做保溫,散熱損耗小,節能降耗。
8、無噪音,無污染,熱效率98%以上。
9、鍋爐外形美觀大方,不易銹蝕。
10、全中文菜單,實時動態顯示,實時效能計算,多層口令設置,操作直觀快捷。
- 設計圖展示
- 相關參數表

